TZ098EA三轴五光吊舱

一、 产品简介

TZ098EA三轴五光吊舱由高分辨率1280非制冷红外热像仪、4800W广角可见光相机、4800W像素38倍光学变倍可见光相机、激光测距仪、近红外补光灯、三轴伺服稳定平台和图像处理组件(自主识别、跟踪)组成。具有重量轻、稳定精度高、集成度高、自动目标识别、自动跟踪等特点,可应用在小型无人机上,完成对目标区域的昼夜侦察、监视等任务。

该吊舱已经适配过国内多家主流飞控平台,可实现与飞控的无缝对接;并可接入本单位ViewControlStudio显控软件平台,协助总体单位快速完成无人机系统的开发。

光电吊舱通过非制冷红外热像仪和可见光相机实现全天时对地目标的探测、识别和跟踪,并实时输出红外和可见光视频供任务执行人员查看。

光电吊舱主要应用于侦查、边防巡逻、人员搜救、森林防火等场景。

二、 产品图片

TZ098EA三轴五光吊舱 

1 产品图片

三、 产品功能

a) 具有典型目标自动识别、自动跟踪功能;

b) 具备自检和故障上报功能;

c) 具备可见光共38倍光学变倍功能,300倍混合变倍能力;

d) 具备激光测距功能,大反射面目标5km测距能力,车3km测距能力;

e) 具备近红外补光功能,夜晚在100米距离内可见光也可清晰可见;

f) 可见光具备光学变倍、自动对焦、手动调焦、透雾等功能;

g) 红外具备8倍电子放大和6种以上伪彩切换功能;

h) 具备方位、俯仰和横滚三自由度运动的能力;

i) 具备锁定/解锁目标功能,且锁定目标后吊舱输出图像为带有跟踪框的图像,目标距离和目标地理位置信息;

j) 具备目标跟踪功能,具备抗自然干扰的能力;

k) 具备记忆跟踪功能,目标在短暂丢失后,可短时间内再次捕获;

l) 具备跟踪点切换功能;

m) 可通过串口/百兆网(UDP与控制站双向通信,可输出系统工作状态、相机工作状态、光轴位置等信息;

n) 具备百兆网视频接口(RTSP协议);

o) 具备拍照和录像功能

四、 挂载平台

旋翼无人机等。

五、 主要技术参数

型号

TZ098EA

红外热像仪

探测器类型

非制冷焦平面探测器

工作波段

8μm~14μm

探测器分辨率

1280×1024

像元尺寸

12μm

镜头焦距

35mm

视场角

24.7°×20°(±5%)

调色板

6种

数字变倍

8X

照片

1280×1024,JPG

视频

1280×1024,MP4

噪声等效温差

NETD≤50mK

最小可分辨温差

MRTD≤500mK

变焦可见光相机

传感器尺寸

1/2″CMOS

有效像素

4800W

镜头焦距

7.1mm172mm

视场角

48.5°×28.5°~2.1°×1.2°(±5%)

倍率

24X

照片

8000×6000,JPG

视频

4k@30,1080p@60,MP4

广角可见光相机

传感器尺寸

1/2″CMOS

有效像素

4800W

镜头焦距

4.49mm

视场角

83.5°

照片

8000×6000,JPG

视频

4k@30,1080p@60,MP4

激光测距机

波长

1535nm

最大测距距离

   ≥3km(能见度≥15Km条件下,2.3m×2.3m车)

≥5km(能见度≥15Km条件下,建筑物)   

最小测距距离

20m

测距精度

2m

测距频率

1Hz~10Hz

近红外补光灯

波长

850nm

视场

补光距离

≥100米

伺服平台

方位转角

360°×n(360°连续旋转)

俯仰转角

-130°~+90°(向上为正)

横滚转角

-40°+40°

稳定精度

≤0.003°(1σ)

最大调转速度

方位≥60°/s,俯仰≥60°/s

最大调转加速度

方位≥50°/s²,俯仰≥50°/s²

图像处理组件

自动识别

具备人、车目标自动识别目标数目≥32

目标跟踪

目标大小≥16×16

跟踪帧频

≤50Hz

图像输出

RTSP/UDP/RTMP可选,码率200kbps~6Mbps可设置

系统指标

额定工作电压

24V

供电电压范围

20V~28VDC

功率

稳定功耗:≤25W(24VDC上电峰值电流≤5A)

重量

≤1.3kg

体积

154mm×170mm×188mm

接口

控制接口

UART/百兆网(可选)

视频接口

百兆网

存储接口

≤512G存储卡(Micro SD卡)

图片格式

jpg格式

视频格式

avi格式

环境适应性

工作温度

-20℃~+55

存储温度

-40℃~+60

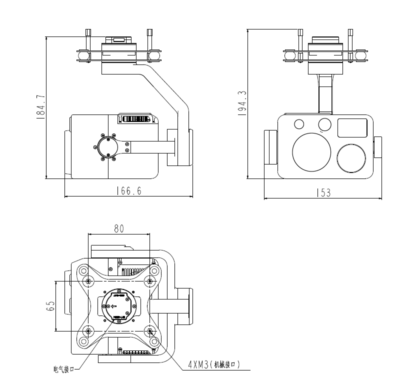
六、 机械尺寸及安装接口

TZ098EA三轴五光吊舱 

 


相关推荐

高频响无衰减电感式传感器集成电路
高频响无衰减电感式传感器集成电路
TR22S系列热成像瞄具
TR22S系列热成像瞄具
TR23S系列热成像瞄具
TR23S系列热成像瞄具